Equipment Tag System with AI

AI-powered tag extraction from engineering drawings — automatically identify, categorise, and validate equipment tags against your company standards.

Intelligent Drawing Analysis

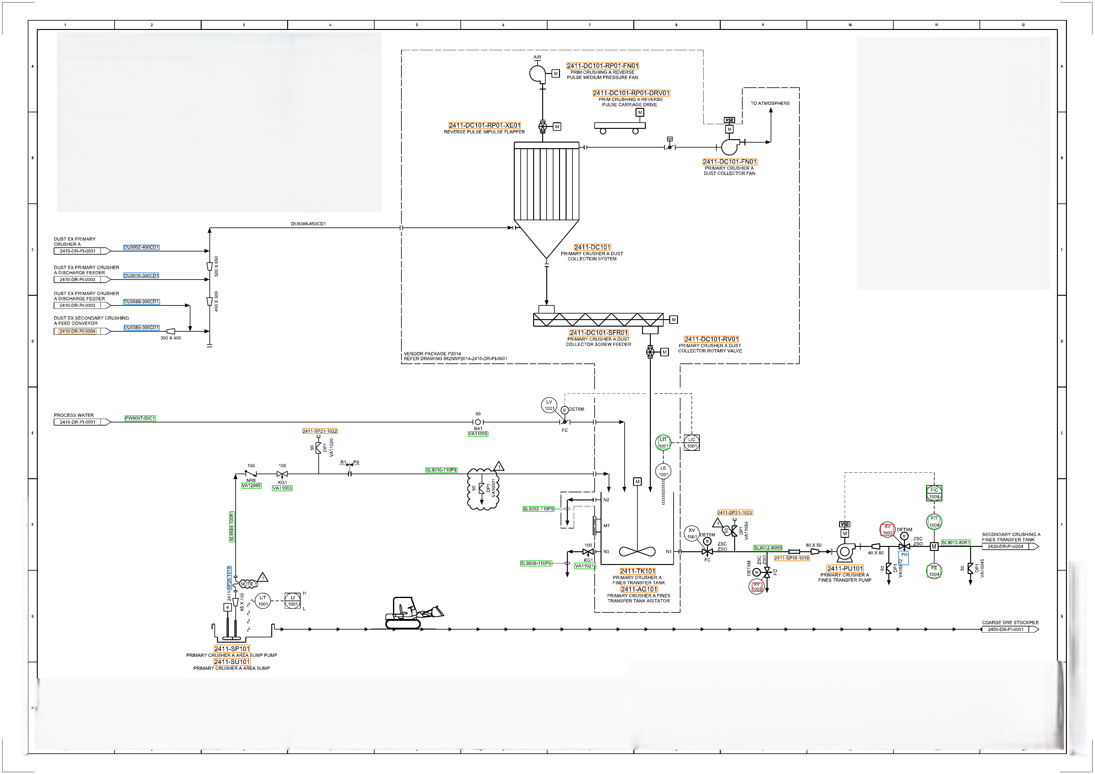
The Equipment Tag System with AI processes engineering drawings — P&IDs, single-line diagrams, general arrangements — and uses artificial intelligence to automatically extract every equipment tag from the document. Tags are highlighted directly on the drawing and presented in a structured table, ready for validation against your company’s naming standards.

How It Works

Upload an engineering drawing in any standard format. The AI scans the entire document, identifies equipment tags using pattern recognition and contextual analysis, and extracts them with their positions. Each tag is highlighted on the original drawing for visual verification.

Standards Compliance

Extracted tags are automatically parsed and validated against your company’s tagging standards. The system breaks down each tag into its components — facility, module, sequence, pipe configuration — and flags any deviations from the expected naming conventions.

AI-Powered Tag Extraction

Upload a P&ID or engineering drawing — the AI identifies and highlights every equipment tag on the document.

Engineering drawing with AI-highlighted equipment tags

Upload Drawing

Support for P&IDs, single-line diagrams, GAs, and other engineering document formats.

AI Scans & Detects

Machine learning identifies tag patterns across the entire drawing with high accuracy.

Tags Highlighted

Every detected tag is highlighted on the original drawing for immediate visual verification.

Tag Review & Validation

Extracted tags are listed in a structured table, parsed into components, and checked against company standards.

Document analysis table showing extracted equipment tags with status and actions

Structured Listing

Tags listed with serial number, status, and parsed components.

Component Breakdown

Company module, facility, sequence, pipe type, size, and fluid type.

Status Tracking

Real-time status for each tag — validated, pending, or flagged.

Create / Disregard / Remove

One-click actions to approve, skip, or remove each extracted tag.

Key Capabilities

AI Tag Recognition

Advanced pattern recognition trained on engineering naming conventions detects equipment tags across P&IDs, isometrics, and GA drawings with high precision.

Company Standard Validation

Automatically checks each extracted tag against your organisation’s tagging mask and naming conventions. Flags non-compliant tags instantly.

Categorical Organisation

Tags are parsed into structured components — facility code, module, sequence number, pipe configuration — for organised review and management.

Drawing Highlighting

Detected tags are highlighted directly on the source drawing, making it easy to visually verify each extraction and locate tags in context.

Search & Filter

Quickly search and filter through extracted tags by name, type, status, or component. Find specific tags across large drawing sets in seconds.

TAG-G Integration

Validated tags can be pushed directly to the Asset Tagging System (TAG-G) for registration, duplicate checking, and lifecycle management.

The ETAI Process

From drawing upload to validated tag register — four simple steps.

1

Upload Drawing

Upload engineering drawings in PDF, DWG, or image format. The system accepts P&IDs, single-line diagrams, and general arrangements.

2

AI Extraction

The AI engine scans the drawing, identifies all equipment tags using trained pattern recognition, and highlights them on the document.

3

Review & Validate

Extracted tags appear in a structured table. Each tag is parsed against company standards. Review status and take action — create, disregard, or remove.

4

Export & Register

Approved tags are exported to your tag register or pushed directly to TAG-G for asset registration and lifecycle tracking.

Frequently Asked Questions

ETAI supports Piping and Instrumentation Diagrams (P&IDs), single-line diagrams, general arrangement drawings, and isometric drawings. Documents can be uploaded in PDF, DWG, or image formats. The AI is trained on standard engineering drawing conventions used across mining, oil & gas, and heavy industry.
Once tags are extracted, each tag is automatically parsed into its components — facility code, module, sequence number, pipe type, pipe size, and fluid type. These components are then checked against your configured company tagging mask and naming conventions. Tags that don’t match the expected pattern are flagged for review, ensuring full compliance with your standards.
Yes, ETAI integrates directly with EDAP’s Asset Tagging System (TAG-G) for seamless tag registration and lifecycle management. Approved tags can also be exported in standard formats (CSV, Excel) for import into other systems including SAP, Oracle, and Maximo.

Automate Your Tag Extraction

Stop manually reading through drawings. Let AI extract, categorise, and validate your equipment tags in minutes.